Product Summary
The MJ10015 is a Darlington transistor in a TO3 type package designed for high voltage, high speed, and power switching in inductive circuits where fall time is critical. The MJ10015 is particularly suited for line operated switch-mode applications. The applications of the MJ10015 include Continuous Collector Current (IC = 50A), Switching Regulators, Inverters, Solenoid and Relay Drivers, Motor Controls.
Parametrics
MJ10015 absolute maximum ratings: (1) Collector. Emitter Voltage, VCEV: 600V; (2) Collector. Emitter Voltage, VCEO (SUS): 400V; (3) Emitter. Base Voltage, VEBO: 8.0V; (4)Collector Current Continuous, IC: 50A; (5)Peak, ICM: 75A; (6)Base Current, IB: 10A; (7)Total Power Dissipation, PD TC = +25℃: 250W, TC = +100℃: 143W; (8) Derate Above +25℃: 1.43W/℃; (9)Operating Junction Temperature Range: -65℃ to +200℃; (10)Storage Temperature Range: -65℃ to +200℃; (11)Thermal Resistance, Junction-to-Case: 0.7℃/W.
Features
MJ10015 features: (1) Continuous Collector Current (IC = 50A); (2) Switching Regulators; (3) Inverters; (4) Solenoid and Relay Drivers; (5) Motor Controls.
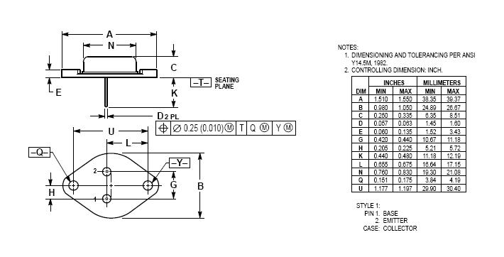
Diagrams

| Image | Part No | Mfg | Description | ![]() |
Pricing (USD) |
Quantity | ||||
|---|---|---|---|---|---|---|---|---|---|---|
![]() |
![]() MJ10015 |
![]() Other |
![]() |
![]() Data Sheet |
![]() Negotiable |
|
||||
| Image | Part No | Mfg | Description | ![]() |
Pricing (USD) |
Quantity | ||||
![]() |
![]() MJ1000 |
![]() Other |
![]() |
![]() Data Sheet |
![]() Negotiable |
|
||||
![]() |
![]() MJ10000 |
![]() Other |
![]() |
![]() Data Sheet |
![]() Negotiable |
|
||||
![]() |
![]() MJ10002 |
![]() Other |
![]() |
![]() Data Sheet |
![]() Negotiable |
|
||||
![]() |
![]() MJ10005 |
![]() Other |
![]() |
![]() Data Sheet |
![]() Negotiable |
|
||||
![]() |
![]() MJ10007 |
![]() Other |
![]() |
![]() Data Sheet |
![]() Negotiable |
|
||||
![]() |
![]() MJ10009 |
![]() Other |
![]() |
![]() Data Sheet |
![]() Negotiable |
|
||||
(Hong Kong)









